Each of these diagrams will help you to design and customize your own system. These designs represent the best of what worked for me. Hopefully they will help you from re-inventing the wheel but don't be afraid to experiment. You may discover out something new that we all could use.

Click on each diagram to open a PDF document to print.

 

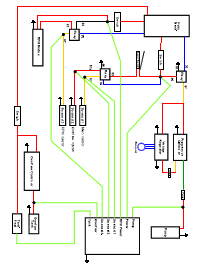
Complete Layout Overflow Controller Overflow Tank
Water Methanol Injection complete wiring hookup schematic Water Methanol Injection Overflow Controller Schematic Water Methanol Injection Overflow Tank Schematic
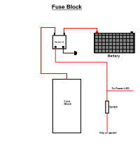
Fuse Block and Solenoid Main Tank Controller and Voltage Regulator
Power distribution and solenoid Water Injection Main Tank Water Injection Controller
LED Panel    
Control Panel Led's